產品服務
概述
輪輻式稱重傳感器廣泛應用于料灌稱重,油田測量領域等各種大噸位測量。
特點
低截面緊湊設計;
高輸出小形變;
精度可選、穩(wěn)定性。
技術參數

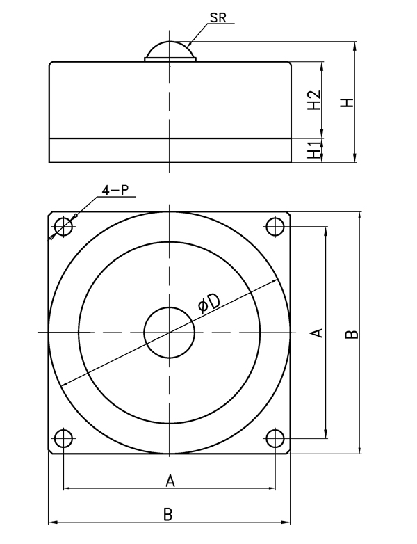
外形尺寸

| 量程 | A | B | P | H | H1 | H2 | SR | D |
|---|---|---|---|---|---|---|---|---|
| 0.5t、1t | 63 | 72 | 5.5 | 41 | 8 | 25 | 8 | 72 |
| 1.5t、2t、3t、5t | 76 | 88 | 6 | 51 | 8 | 34 | 10 | 88 |
| 10t、20t、30t | 105 | 120 | 8.6 | 70 | 12 | 48 | 25 | 118 |







![[list:title]](/uploads/allimg/150920/1-1509200K353.jpg)
所屬分類:稱重傳感器
打印當前頁
將此頁放入收藏夾
此產品包含以下詳細資料

